Электропривод ВА
- 1
- 2
Электропривод ВА представляет собой электротехническое изделие со специальными приспособлениями (муфтами) для подсоединения к устройствам запорного типа, устанавливаемых на трубопроводах различного диаметра. Выполнено оно во взрывозащищенном исполнении. Это позволяет устанавливать изделие в зонах с повышенной взрывоопасностью на трубопроводах в необходимом положении.
Управлять работой, подсоединенной к нему арматуры, можно как в ручном режиме, так и на расстоянии. Электроприводы ВА работают в режиме, который называется повторно-кратковременном (ПВ не превышает 25%) в системах, где применяется для управления микропроцессорная техника и автоматы.
Электропривод ВА выполняет следующие задачи:
- открывает и закрывает запорное устройство при поступлении соответствующей команды или в ручном режиме;
- останавливает запорный узел в необходимом промежуточном положении;
- при неполадке устройства, а также при достижении запорным элементом крайних положений отключает электропривод, издавая сигнал;
- переключается с работы в ручном режиме на работу в автоматическом режиме;
- при работе с другими устройствами обеспечивает электрическую блокировку;
- при необходимости, частоту крутящего момента можно регулировать;
- при установке в схему управления переменного сопротивления можно корректировать на расстоянии необходимую величину открытия запирающего устройства.
Купить электроприводы ВА можно различной мощности на питание от сети переменного тока 220, 380 или 660 В, частотой 50 и 60Гц.
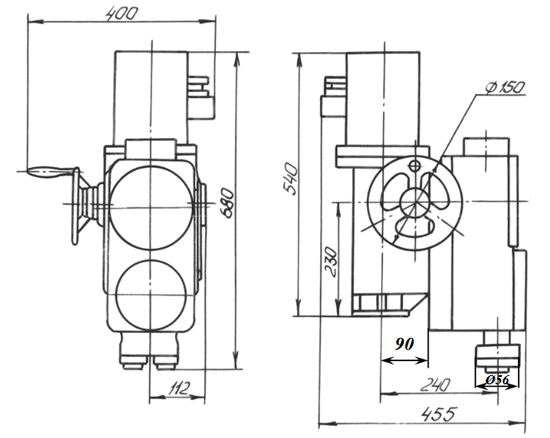
Основные составные части привода такие:
- редуктор червячно-цилиндрического типа;
- муфта моментная;
- выключатели путевые;
- маховик;
- вал со специальным приспособлением для подсоединения.
- Внутренние узлы в соединениях электрических приводов имеют специальные уплотнительные устройства, которые обеспечивают надежную герметизацию.
предложение широкого ассортимента товаров и услуг на постоянно высоком качестве обслуживания.
